APPIAN TECHNOLOGY

JERONIMO J2/N (4MB)

Card Type

Video card

Video Chip Set

Cirrus Logic

Highest Resolution Supported

1600 x 1200

Maximum Video Memory

Unidentified

Data Bus

32-bit PCI

Video Types Supported

CGA, VGA, TARGA, XVGA

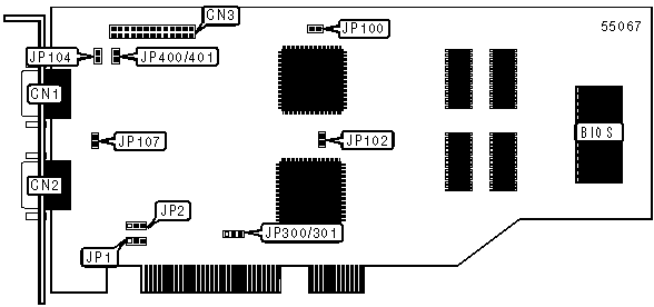
CONNECTIONS

Function

Label

Function

Label

15-pin analog video port 1

CN1

VESA feature connector

CN3

15-pin analog video port 2

CN2

   

USER CONFIGURABLE SETTINGS

Function

Label

Position

 

Channel 1 interrupt enabled

JP1

Pins 2 & 3 closed

 

Channel 1 interrupt disabled

JP1

Pins 1 & 2 closed

 

Channel 2 interrupt enabled

JP2

Pins 2 & 3 closed

 

Channel 2 interrupt disabled

JP2

Pins 1 & 2 closed

»

Factory configured - do not alter

JP12

Unidentified

»

Factory configured - do not alter

JP13

Unidentified

 

Primary VGA enabled

JP100

Open

 

Primary VGA disabled

JP100

Closed

»

Factory configured - do not alter

JP101

Unidentified

»

Factory configured - do not alter

JP102

Unidentified

»

Factory configured - do not alter

JP103

Unidentified

 

Channel 1 CSYNC compatibility enabled

JP104

Closed

 

Channel 1 CSYNC compatibility disabled

JP104

Open

 

Channel 2 CSYNC compatibility enabled

JP107

Closed

 

Channel 2 CSYNC compatibility disabled

JP107

Open

 

Manual bottom channel slot selection enabled

JP300/301

Pins 1 & 2 closed

 

Automatic bottom channel slot selection enabled

JP300/301

Pins 2 & 3 closed

 

I2C communication channel enabled

JP400/401

Open

 

I2C communication channel disabled

JP400/401

Closed

Note:

Location and orientation of factory configured jumpers JP12, JP13, JP101 & JP103 are unidentifed