CALIFORNIA GRAPHICS & PERIPHERALS, INC.

POWER PRO II AGP (REV. 2.0)

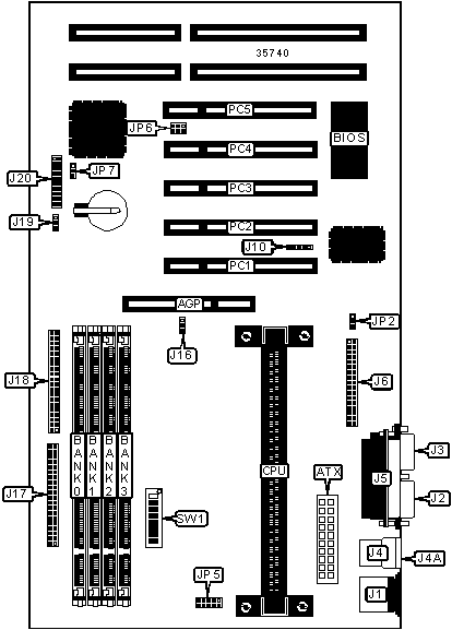
Device Type

Mainboard

Processor

Pentium II

Processor Speed

233/266/300/333MHz

Chip Set

Intel 440LX

Video Chip Set

None

Maximum Onboard Memory

512MB (EDO & SDRAM supported)

Maximum Video Memory

None

Cache

256/512KB (located on Pentium II CPU)

BIOS

Award

Dimensions

307mm x 175mm

I/O Options

32-bit PCI slots (5), floppy drive interface, green PC connector, IDE interfaces (2), parallel port, PS/2 mouse port, serial ports (2), IR connector, USB connectors (2), ATX power connector, AGP slot, SB-link connector, wake on LAN connector

CONNECTIONS

Purpose

Location

Purpose

Location

AGP slot

AGP

IDE interface 1

J18

ATX power connector

ATX

Chassis fan power

J19

PS/2 mouse port

J1

Wake on LAN connector

JP2

Serial port 1

J2

SB-link connector

JP6

Serial port 2

J3

Speaker

J20/pins 1 - 4

USB connector 1

J4

Green PC connector

J20/pins 6 & 16

USB connector 2

J4A

Soft off power supply

J20/pins 7 & 17

Parallel port

J5

Turbo LED

J20/pins 8 & 18

Floppy drive interface

J6

Reset switch

J20/pins 9 & 19

IR connector

J10

IDE interface LED

J20/pins 10 & 20

CPU fan power

J16

Power LED & keylock

J20/pins 11 - 15

IDE interface 2

J17

32-bit PCI slots

PC1 – PC5

USER CONFIGURABLE SETTINGS

Function

Label

Position

»

Factory configured - do not alter

JP5

Unidentified

»

CMOS memory normal operation

JP7

Pins 1 & 2 closed

 

CMOS memory clear

JP7

Pins 2 & 3 closed

DIMM CONFIGURATION

Size

Bank 0

Bank 1

Bank 2

Bank 3

8MB

(1) 1M x 64

None

None

None

16MB

(1) 2M x 64

None

None

None

16MB

(1) 1M x 64

(1) 1M x 64

None

None

24MB

(1) 2M x 64

(1) 1M x 64

None

None

24MB

(1) 1M x 64

(1) 1M x 64

(1) 1M x 64

None

32MB

(1) 4M x 64

None

None

None

32MB

(1) 2M x 64

(1) 2M x 64

None

None

32MB

(1) 1M x 64

(1) 1M x 64

(1) 1M x 64

(1) 1M x 64

40MB

(1) 4M x 64

(1) 1M x 64

None

None

48MB

(1) 4M x 64

(1) 2M x 64

None

None

48MB

(1) 2M x 64

(1) 2M x 64

(1) 2M x 64

None

64MB

(1) 2M x 64

(1) 2M x 64

(1) 2M x 64

(1) 2M x 64

64MB

(1) 8M x 64

None

None

None

64MB

(1) 4M x 64

(1) 4M x 64

None

None

DIMM CONFIGURATION (CON’T)

Size

Bank 0

Bank 1

Bank 2

Bank 3

72MB

(1) 8M x 64

(1) 1M x 64

None

None

80MB

(1) 8M x 64

(1) 2M x 64

None

None

96MB

(1) 8M x 64

(1) 4M x 64

None

None

96MB

(1) 4M x 64

(1) 4M x 64

(1) 4M x 64

None

128MB

(1) 16M x 64

None

None

None

128MB

(1) 8M x 64

(1) 8M x 64

None

None

128MB

(1) 4M x 64

(1) 4M x 64

(1) 4M x 64

(1) 4M x 64

136MB

(1) 16M x 64

(1) 1M x 64

None

None

144MB

(1) 16M x 64

(1) 2M x 64

None

None

152MB

(1) 16M x 64

(1) 1M x 64

(1) 1M x 64

(1) 1M x 64

160MB

(1) 16M x 64

(1) 4M x 64

None

None

176MB

(1) 16M x 64

(1) 2M x 64

(1) 2M x 64

(1) 2M x 64

192MB

(1) 16M x 64

(1) 8M x 64

None

None

192MB

(1) 8M x 64

(1) 8M x 64

(1) 8M x 64

None

224MB

(1) 16M x 64

(1) 4M x 64

(1) 4M x 64

(1) 4M x 64

256MB

(1) 16M x 64

(1) 16M x 64

None

None

256MB

(1) 8M x 64

(1) 8M x 64

(1) 8M x 64

(1) 8M x 64

272MB

(1) 16M x 64

(1) 16M x 64

(1) 1M x 64

(1) 1M x 64

288MB

(1) 16M x 64

(1) 16M x 64

(1) 2M x 64

(1) 2M x 64

320MB

(1) 16M x 64

(1) 16M x 64

(1) 4M x 64

(1) 4M x 64

320MB

(1) 16M x 64

(1) 8M x 64

(1) 8M x 64

(1) 8M x 64

384MB

(1) 16M x 64

(1) 16M x 64

(1) 16M x 64

None

512MB

(1) 16M x 64

(1) 16M x 64

(1) 16M x 64

(1) 16M x 64

Note: Board accepts EDO & SDRAM memory.

CACHE CONFIGURATION

Note: 256KB/512KB cache is located on the Pentium II CPU.

CPU SPEED SELECTION

CPU speed

Clock speed

Multiplier

SW1/1

SW1/2

SW1/3

SW1/4

233MHz

66MHz

3.5x

Off

Off

Off

Off

266MHz

66MHz

4x

Off

Off

Off

Off

300MHz

66MHz

4.5x

Off

Off

Off

Off

333MHz

66MHz

5x

Off

Off

Off

Off

CPU SPEED SELECTION (CON’T)

CPU speed

Clock speed

Multiplier

SW1/5

SW1/6

SW1/7

SW1/8

233MHz

66MHz

3.5x

On

Off

Off

On

266MHz

66MHz

4x

Off

On

On

On

300MHz

66MHz

4.5x

Off

On

Off

On

333MHz

66MHz

5x

Off

Off

On

On