DELL COMPUTER CORPORATION

DIMENSION XPS MXXXS

Processor

Pentium

Processor Speed

166/200MHz

Chip Set

Intel

Video Chip Set

None

Maximum Onboard Memory

64MB

Maximum Video Memory

None

Cache

512KB

BIOS

Unidentified

Dimensions

305mm x 244mm

I/O Options

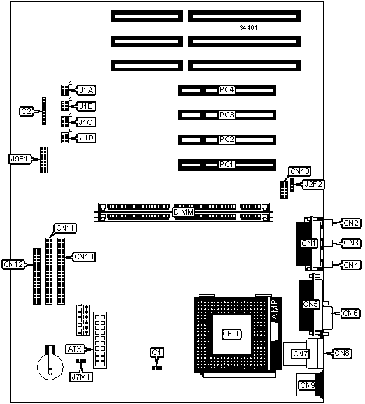
32-bit PCI slots (4), floppy drive interface, IDE interfaces (2), parallel port, PS/2 mouse port, serial port, cache slot, USB connectors (2), ATX power connector, microphone in, line in, line out, CD-ROM audio in

NPU Options

None

CONNECTIONS

Purpose

Location

Purpose

Location

ATX power connector

ATX

PS/2 mouse port

CN9

SCSI interface LED

C2

IDE interface 2

CN10

Game/MIDI port

CN1

IDE interface 1

CN11

Microphone in

CN2

Floppy drive interface

CN12

Line in

CN3

Wavetable connector Cache slot

CN13

Line out

CN4

CD-ROM audio in

J2F2

Parallel port

CN5

Chassis fan power

J7M1

Serial port

CN6

Front panel connector

J9E1

USB connector

CN7

32-bit PCI slots

PC1 – PC4

USB connector

CN8

Cache slot

SL1

USER CONFIGURABLE SETTINGS

Function

Label

Position

»

Factory configured - do not alter

C1

Unidentified

 

Password enabled

J1A

Pins 1 & 2 closed

 

Password disabled

J1A

Pins 2 & 3 closed

»

CMOS memory normal operation

J1A

Pins 4 & 5 closed

 

CMOS memory clear

J1A

Pins 5 & 6 closed

 

Setup access enabled

J1B

Pins 1 & 2 closed

 

Setup access disabled

J1B

Pins 2 & 3 closed

»

Factory configured - do not alter

J1B/pins 4 - 6

Open

DIMM CONFIGURATION

Size

Bank 0

Bank 1

16MB

(1) 2M x 64

None

32MB

(1) 4M x 64

None

32MB

(1) 2M x 64

(1) 2M x 64

48MB

(1) 4M x 64

(1) 2M x 64

64MB

(1) 4M x 64

(1) 4M x 64

Note: The location of the banks is unidentified.

CACHE CONFIGURATION

Size

SL1

512KB

512KB module installed

CPU SPEED SELECTION

CPU speed

Clock speed

Multiplier

J1C

J1D

166MHz

66MHz

2.5x

1 & 2, 5 & 6

2 & 3, 5 & 6

200MHz

66MHz

3x

1 & 2, 5 & 6

1 & 2, 5 & 6

Note: Pins designated should be in the closed position.