LAVA COMPUTER MANUFACTURING, INC.
LAVA RS422-550
|
Card Type |
Multi-I/O card |
|
Chip Set |
Unidentified |
|
Maximum Onboard Memory |
Unidentified |
|
I/O Options |
Serial ports (2 RS-422) |
|
Hard Drives supported |
None |
|
Floppy drives supported |
None |
|
Data Bus |
8-bit ISA |
|
Card Size |
Half-length |
|
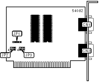
CONNECTIONS | |||
|
Function |
Label |
Function |
Label |
|
9-pin serial port A |
CN1 |
9-pin serial port B |
CN2 |
|
SERIAL PORT A ADDRESS SELECTION | |
|
Setting |
JP3 |
|
COM1 (3F8h) |
Pins 1 & 2 closed |
|
COM2 (2F8h) |
Pins 2 & 3 closed |
|
COM3 (3E8h) |
Pins 4 & 5 closed |
|
COM4 (2E8h) |
Pins 5 & 6 closed |
|
Disabled |
Open |
|
SERIAL PORT B ADDRESS SELECTION | |
|
Setting |
JP2 |
|
COM1 (3F8h) |
Pins 1 & 2 closed |
|
COM2 (2F8h) |
Pins 2 & 3 closed |
|
COM3 (3E8h) |
Pins 4 & 5 closed |
|
COM4 (2E8h) |
Pins 5 & 6 closed |
|
Disabled |
Open |
|
SERIAL PORT A INTERRUPT SELECTION | |
|
IRQ |
JP1 |
|
IRQ4 |
Pins 1 & 2 closed |
|
IRQ3 |
Pins 2 & 3 closed |
|
SERIAL PORT B INTERRUPT SELECTION | |
|
IRQ |
JP1 |
|
IRQ3 |
Pins 3 & 4 closed |
|
IRQ4 |
Pins 4 & 5 closed |